Inżynier zbudował radar i udostępnił wszystkie dane w sieci. Wstrząs dla rynku
W świecie zdominowanym przez niezwykle kosztowne systemy militarne i przemysłowe pojawił się projekt, który może wywrócić rynek do góry nogami. Inżynier ukrywający się za projektem AERIS-10 udostępnił na zasadach Open Source dokumentację techniczną w pełni funkcjonalnego radaru pracującego w paśmie 10,5 GHz. Stanowi przełom w dostępie do zaawansowanej technologii wykrywania, która do tej pory była zarezerwowana dla armii lub najbogatszych instytutów badawczych. Replikę tego radaru każdy może zbudować śmiesznie niskim kosztem.

Spis treści:
- Wolne oprogramowanie i sprzęt. Co daje Open Source?
- Nie potrzeba już olbrzymiego budżetu, by zbudować radar
- AERIS-10E na wolnej licencji. Każdy może badać jego tajniki
Wolne oprogramowanie i sprzęt. Co daje Open Source?
Ogromna część dzisiejszych technologii, wliczając w to sprzęt i oprogramowanie, ma charakter własnościowy i zamknięty. Oznacza to m.in. ochronę patentową, utajniony kod źródłowy i brak transparentności. Niesie ze sobą szereg konsekwencji. Użytkownicy muszą ufać producentom na słowo w kwestiach prywatności i bezpieczeństwa.
Zamkniętego oprogramowania nie można w pełni dostosowywać do swoich potrzeb, a zamknięta architektura sprzętowa często uniemożliwia samodzielną naprawę lub modernizację. Dodatkowo może pojawić się problem celowego postarzania produktów, tak by psuły się zaraz po okresie gwarancyjnym. Niektórzy próbują dowiedzieć się więcej o zamkniętych produktach poprzez inżynierię wsteczną i odnoszą na tym polu sukcesy.
Przeciwieństwem tych praktyk jest wydawanie produktów na licencjach Open Source. Chodzi nie tylko o "wolne oprogramowanie", którego kod źródłowy jest jawny, a użytkownicy mogą go do woli modyfikować, ale także o sprzęt. Urządzenia zaliczające się do klasy "Open-source hardware" (OSH, OSHW) mają udostępniane schematy, pliki projektowe, listy części i firmware. Umożliwia to każdemu, kto posiada odpowiednie zasoby, zbudowanie repliki takiego urządzenia.
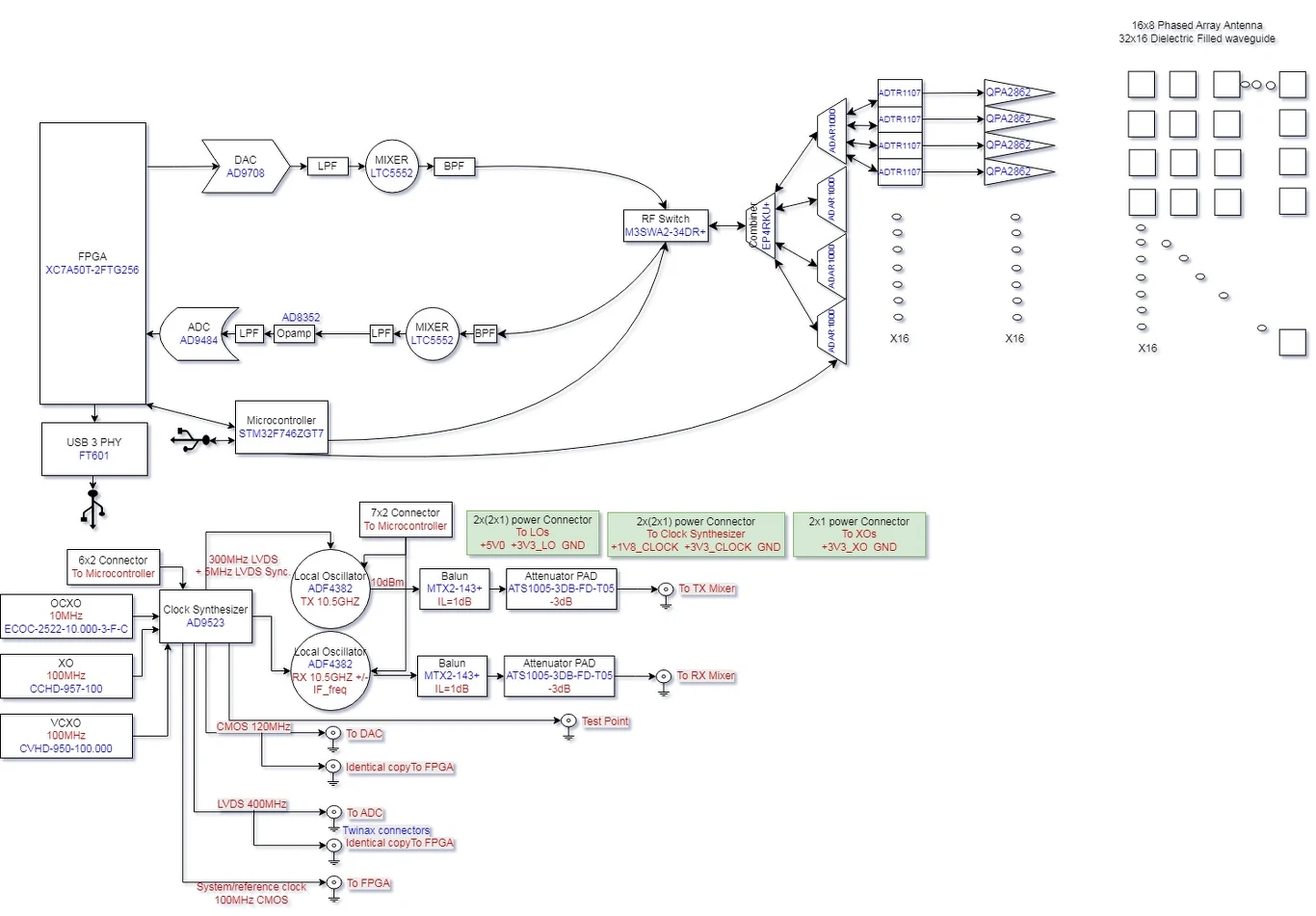
Doskonałym przykładem takiego "wolnego sprzętu" jest AERIS-10, radar z szykiem fazowanym typu Pulse Linear Frequency Modulated (LFM), którego twórca udostępnił wszystkie te dane na licencji Open Source w GitHub. Dlaczego jest to tak rewolucyjne posunięcie?
Nie potrzeba już olbrzymiego budżetu, by zbudować radar
Komercyjne odpowiedniki AERIS-10 o zbliżonych parametrach potrafią kosztować nawet 250 tys. dolarów. Jego twórca, pochodzący z Maroka Met Nawfal "NawfalMotii79", udowodnił, że niemal identyczną technologię można zbudować za ułamek tej kwoty. Koszt zamyka się w granicach 14 tys. dolarów. Możliwe jednak, że profesjonalne systemy od dużych koncernów oferują dodatkowe, certyfikowane funkcje, jednakże historia rozwoju dronów pokazuje, że to właśnie masowość i niski koszt prostszych rozwiązań często decydują o kierunku rozwoju technologii.
Projekt zadebiutował w dwóch wariantach dostosowanych do różnych potrzeb. Wersja Nexus (AERIS-10N) oferuje zasięg do 3 kilometrów i wykorzystuje antenę mikropaskową ("8x16 Patch Array"), natomiast wersja Extended (AERIS-10E) pozwala na monitorowanie przestrzeni w promieniu aż 20 kilometrów dzięki zastosowaniu bardziej zaawansowanego układu szczelinowego ("32x16 Slotted Waveguide").

Obie wersje oferują pełne elektroniczne sterowanie wiązką w zakresie 45 stopni, a zaawansowane przetwarzanie sygnałów, w tym kompresja impulsów i algorytmy śledzenia celów, odbywa się bezpośrednio na pokładowym układzie FPGA.
Warto tu zaznaczyć, że urządzenie ma budowę modularną. Zarządzanie energią, synteza częstotliwości i płytki RF są traktowane jako odrębne moduły.
AERIS-10E na wolnej licencji. Każdy może badać jego tajniki
Inżynier udostępnił w serwisie GitHub kompletną dokumentację, obejmującą schematy, projekty płytek PCB, oprogramowanie układowe oraz intuicyjny interfejs graficzny (GUI) napisany w języku Python.
Projekt debiutował na licencji MIT, ale autor zdecydował się ją zmienić na CERN-OHL-P. Wynikało to z potrzeby lepszej ochrony prawnej projektów sprzętowych przy jednoczesnym zachowaniu otwartości i swobody modyfikacji.
AERIS-10 stał się potężną platformą eksperymentalną dla konstruktorów dronów, naukowców i pasjonatów technologii SDR, którzy od teraz mogą badać tajniki formowania wiązki czy przetwarzania dopplerowskiego bez konieczności dysponowania budżetem wielkiej korporacji.
Trzeba jednak odnotować, że częstotliwość 10,5 GHz leży w tzw. Paśmie X, w którym działają m.in. radary morskie i meteorologiczne, systemy satelitarne i militarne czy proste czujniki ruchu. W większości krajów (w tym w Polsce, pod nadzorem Urzędu Komunikacji Elektronicznej) pasmo to jest podlega regulacjom. Nie można bez pozwolenia włączyć nadajnika o dużej mocy, bo mogłoby to np. oślepić radar pobliskiego lotniska lub zakłócić łączność satelitarną.










